新闻动态 iis7站长之家
AI训练平台
AI数据资产
在线铜板外观检测
在线极片熔珠检测
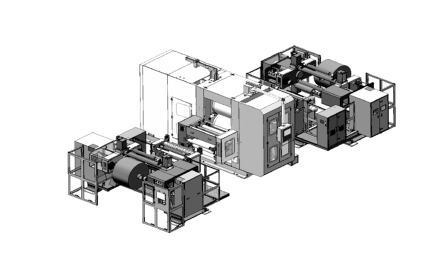
动力电池卷绕一体机双线扫CCD检测系统
在线动力电池盖板检测机
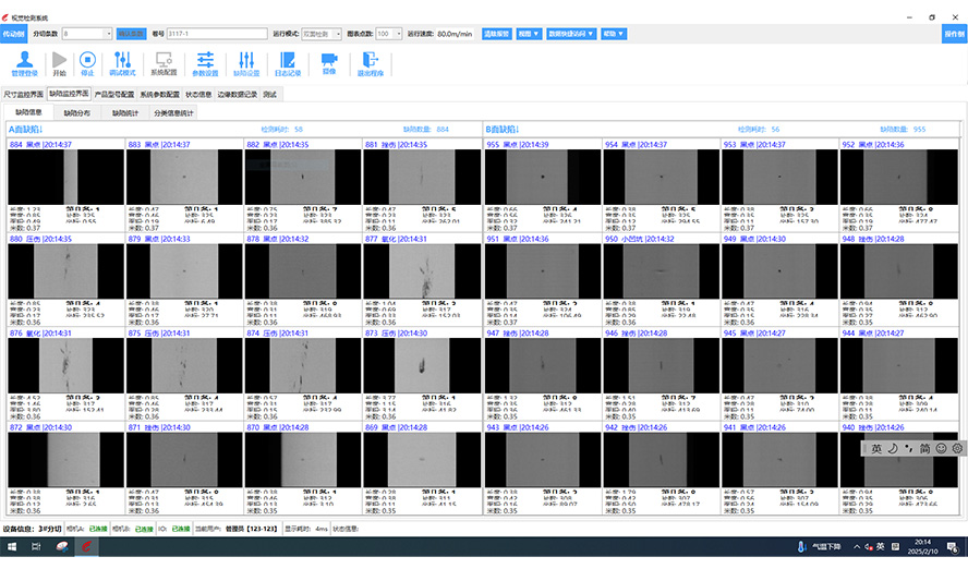
涂布CCD检测系统
辊压机CCD检测系统
辊压分条一体机CCD检测系统/贴标机
消费电池分条机CCD检测系统
独立宽幅CCD复检机
模切分切一体机检测系统
在线极片毛刺检测
在线动力电池卷绕一体机CCD检测系统
切叠一体机CCD检测系统
在线电池裸电芯外观检测
动力电池入壳设备/预点焊
在线动力电池顶盖焊接独立检测机
在线动力电池密封钉独立检测机
在线动力电池铝壳外观检测机/包蓝膜后外观检测机
在线3C电池成品外观检测机
动力电芯连接器焊接检测系统
在线刀片电池尺寸测量机
在线电池模组Busbar检测
在线电池模组尺寸检测机
电池全自动测试及气密性检测机
在线铜箔外观检测
在线铝箔外观检测
在线隔膜外观检测
在线铝塑膜外观检测
在线圆柱铝壳外观检测机
成品AOI
出版AOI
膜后AOI
PL
EL
燃料电池涂布瑕疵CCD检测设备
氢能源质子交换膜外观检测
膜电极CCD检测机
氢燃料电池双极板检测
在线/离线工业CT无损检测设备
PCB在线外观检测(VRS)
晶圆检测机
十年以上系统集成能力迭代:光学系统匹配、图像质量评估、相机标定工具、2D/3D视觉算法、AI智能平台、质量保障、快速交付。
工信部锂离子电池安全标准特别工作组成员单位,专注于AI+机器视觉和AI+无损探伤智能装备的国家高新技术企业,连续被评为“中国科技创新中小企业100强”、“国家级专精特新小巨人企业”、“国家高新技术企业”、“广东省机器视觉工程技术研究中心”。
在职员工(人)
软件著作权(项)
申请专利(项)
成立时间(年)
为了您的隐私和安全,350vip浦京将严格保密您的信息
您的称呼:
手机号码:
联系邮箱:
联系地址:
需求描述: